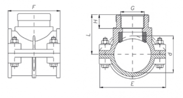
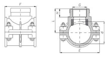
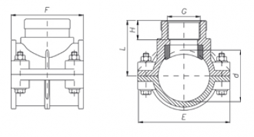
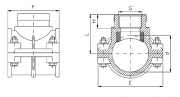
Anbohrschellen

Anbohrschellen





Die Unidelta PP Anbohrschelle eignet sich sehr gut für Abzweige von PE-Rohren
PE HD, PE LD, PE 80 und PE 100.

Eine nachträgliche Installation bei drucklosen, bereits bestehenden PE-Leitungen ist möglich.
Einfache Montage vor Ort.
Bei unter Druck stehendem PVC-Rohr oder PE-Rohr kann unsere Druckanbohrschelle verwendet werden.

Die Anbohrschelle gibt es in mit Einfach- oder Doppelabgang.
Beide Varianten gibt es mit oder ohne Verstärkungsring am Innengewinde.

Die PN 16 Anbohrschelle (blau) ist für Leitungen bis 16 bar ausgelegt.





 

217 bis 224 (von insgesamt 271)